НА ГЛАВНУЮ КОНТАКТЫ ПАРТНЕРЫ ПРОДУКЦИЯ ИНСТРУКЦИИ

БСЦ "ЭЛиПС"  


Блок сопряжения для подключения видеомониторов к цифровым домофонам

БСЦ предназначен подключения мониторов Commax и совместимых с ними по интерфейсу (Kocom, Quantum, Kenwei, Gardi и т.п.) к цифровым домофонам (Маршалл,Proel, Laskomex, Райкман, Keyman, Метаком-2007).  Имеется дополнительный вход для подключения вызывной панели ( для устаревших  мониторов, имеющих всего один вход ).

  Внешний вид БСЦ. Подключение производится через разъем IDC-12 или через клеммы
Габаритные размеры БСЦ в корпусе примерно 22мм*54мм*66мм, без учета кабеля с коннектором IDC

 

Вид на перемычки установки режимов работы и номера абонента.

Документацию на БСЦ "ЭЛиПС" можно скачать на странице по ссылке

Преимущества БСЦ «ЭЛиПС» перед другими блоками сопряжения:

1) Устойчивая работа звукового тракта без свистов и писков с хорошей громкостью.  Минимум необходимых регулировок после установки.  Характеристики  БСЦ практически идентичны характеристикам цифровых трубок распространенных моделей, поэтому замена трубки на БСЦ и монитор никак не влияет на работу домофона. Предусмотрена подстройка баланса его разговорного тракта под настройки конкретного блока вызова домофона (на плате установлен подстроечный резистор). Это позволяет избежать появления самовозбуждения (свистов и писков), характерного для  блоков сопряжения других типов (Даксис, Маршал и проч.).   Обычно БСЦ не требует каких либо регулировок после установки. Достаточно проверки работоспособности.  Это качество выгодно отличает БСЦ от аналогичного блока фирмы «Даксис», который как раз в 90% случаев требует настройки уровней звука после подключения. Если такие настройки не произвести, то  МСЦ «Даксис» будет свистеть, пищать при разговоре. 

2) Настройки режимов работы перемычками. Для конфигурации режимов  установлены 2 разъема 16-и контактный и 8-и контактный. Перемычки 16-ти контактного разъема служат для установки номера абонента.  Это делается аналогично тому, как устанавливается номер на трубках домофонов. Пермычки 8-ми контактного разъема устанавливают количество вызовов, пропущенных перед автоподнятием (3 перемычки, количество от 1-го до 8-ми вызовов) и включение/отключение работы с сигналом «СНЯТИЕ ТРУБКИ».  Расположение перемычек показано на изображении выше.

Считывание установок джамперов производится при каждом включении просмотра изображения (нажатие кнопки   ). При этом на адаптер поступает напряжение +12 В и он считывает конфигурацию перемычек, затем сравнивает со значениями, записанными в память и, если, есть изменения, записывает новые данные. Это следует учитывать при установке нового номера трубки «цифровых» домофонов.   !После установки надо обязательно нажать кнопку  для того, чтобы новый номер был считан микроконтроллером и записан в память.  Записанный номер будет использован программой МК при появлении вызова. Для выполнения считывания-записи достаточно 1..2 сек, после чего можно перевести монитор в режим ожидания, сняв и сразу положив трубку.! 

3) Сигнал «СНЯТИЕ ТРУБКИ»  - это одиночный импульс или пакет импульсов длительностью от 50…100 мС  до 1 сек и амплитудой от 2 В  до  10…12В. Должен появляться в момент нажатия снятия трубки или нажатия кнопки «TALK».

4) БСЦ «ЭЛиПС» управляется микроконтроллером с программой, алгоритм которой учитывает особенности различных видеомониторов и подстраивается под эти особенности. Поэтому БСЦ более универсален , чем другие БС. 

5) Подключить БСЦ «ЭЛиПС» можно как через клеммы, так и при помощи ленточного кабеля с разъемом IDC-12. Последний вариант упрощает замену блока сопряжения.


Типовая схема подключения БСЦ "ЭЛиПС" к монитору RVi-VD1 и остальному оборудованию.

Для передачи видеосигнала по подъезду можно применить коаксиальный кабель РК-75, а для подключения УБС на этажах использовать Разветвитель видеосигнала домофона РВС-4, выпускаемый фирмой «Модус».
Кроме коаксиального кабеля для передачи видеосигнала применяют и витую пару, что удобнее при монтаже оборудования. В этом случае надо применять и разветвители видеосигнала по витой паре.


 
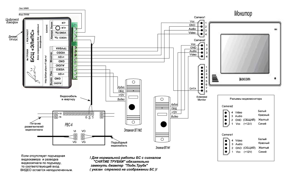
Схема подключения БСЦ "ЭЛиПС" к видеомонитору Kocom KCV-A374 с использованием сигнала "СНЯТИЕ ТРУБКИ"
   

 

Где купить  

 

Компания “AXIVISION” :  
г. Москва, Пятницкое шоссе, стр. 18,
 ТК «Митинский радиорынок»
павильоны 5, 6, 10


тел: 8(495)971-22-40

Сайт: http://www.axivision.ru

ООО  “Videolife”, город Москва

Режим работы: Пн-Пт: с 10.00 до 19.00
Суб-Вск: с 10.00 до 18.00

тел: 8 (800) 555-70-11 

Сайт: http://videolife.moscow/kontakty


ООО "ЭЛиПС Мет" 2019